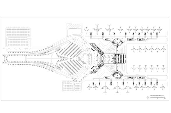
مطار الملكة علياء في الاردن تاريخ الانتهاء من المشروع 2012 ممتدا على مساحة 116000 مترا مربعا من تصميم شركة فوستر اند بارتنرز
يعتبر مطار الملكة علياء الدولي امتدادًا لإستكشافات مكتبنا بالمطارات كنمط بناء، كما يعبر عن رؤية لعمارة المطارات تراعي النواحي البيئية وتعد ملائمة من الناحية الإقليمية. وقد تم تصميمه ليكون بمثابة البوابة الرئيسية المؤدية إلى عمان ـ وهي واحدة من أقدم المدن المأهولة باستمرار في العالم ـ حيث يعزز هذا التصميم الشعور بعبق المكان والثقافة المحلية. فمن الناحية الاستراتيجية، فإن المبنى يضمن الحفاظ على مكانة عمان باعتبارها مركزًا رئيسيًا لبلاد الشام. أما من الناحية اللوجستية، فالمبنى يتيح إمكانية زيادة سعة المطار بنسبة قدرها 6 بالمئة سنويًا على مدار الأعوام الخمسة والعشرين المقبلة، مما ينتج عنه زيادة القدرة الاستيعابية من ٣ ملايين مسافر حتى 12.8 مليون مسافر سنويًا بحلول عام 2030.
استجابة لخبرات البناء المحلية والمناخ في عمان، حيث تتباين درجات الحرارة في الصيف بين النهار والليل بشكل كبير، فلقد تم تشييد المبنى بالكامل من الخرسانة، فإن الكتلة الحرارية العالية للمادة توفرقدر من التحكم البيئي. وتضم مظلة السقف ذات الوحدات المتكررة سلسلة من الأقبية الخرسانية الضحلة التي تمتد لتظليل الواجهات.ولغايات التوسع في المستقبل بطريقة سلسة، تم تصميم كل قبة على شكل وحدة نموذجية.وتتفرع الأقبية من الأعمدة الداعمة بطريقة أشبه بأوراق نخلة صحراوية، كما يغمر ضوء النهار الساحة الرئيسية من خلال الجسور المنفصلة عند تقاطعات الأعمدة. كما يتم تطبيق نمط هندسي قائم على الأشكال الإسلامية التقليدية على أسفل جميع أسطح البروزات، وذلك بهدف محاكاة عروق ورق الشجر.
تم تزجيج مبنى الركاب على جميع الجوانب لكي يفتح الإطلالة على المناظر الممتدة حتى الطائرة الموجودة بساحة المطار وكذلك للمساعدة في تحديد الاتجاهات. بالإضافة إلى ذلك، توجد ركيزتان لبوابات المغادرة تمتدان على طول جانبي المبنى الرئيسي، الذي يحتوي على المحلات ومناطق العمليات الرئيسية و الاستراحات و المطاعم. وبين هذين الجانبين، تستمد الأفنية المفتوحة على الهواء الطلق من مفاهيم العمارة العربية المحلية، كما تساهم في الاستراتيجية البيئية الخاصة بمبنى الركاب وهي: أن النباتات والأشجار تساهم في التنقية من التلوث وتكييف الهواء بشكل مسبق قبل سحبه إلى داخل نظام معالجة الهواء. وكوسيلة للاحتفال بتقليد تجمع أفراد الأسرة داخل المطار، فقد تم توسيع الساحة الأمامية لتوفير مساحة خضراء مزودة بمقاعد تظللها الأشجار حيث يستطيع أفراد العائلة التجمع لتوديع أو استقبال مسافريهم.
المصدر : fosterandpartners.com





















0 التعليقات: